Customized Engineering for Ravebo Scrubber Systems

Comprehensive Engineering Scope

At Ravebo, we specialize in tailored engineering solutions for industrial scrubber systems, providing comprehensive technical documentation and design services that form the foundation of every successful project. Our engineering package covers the complete system, including the main scrubber unit, auxiliary equipment such as pumps, fans, valves, and instrumentation, as well as the control cabinet.

Process and Mechanical Design

Each project begins with a detailed process and mechanical design, supported by structural calculations, 3D design models, P&IDs, electrical and instrumentation schematics, datasheets, and installation guidelines. These deliverables ensure that every component is fully specified, interfaces are clearly defined, and installation and commissioning can proceed smoothly.

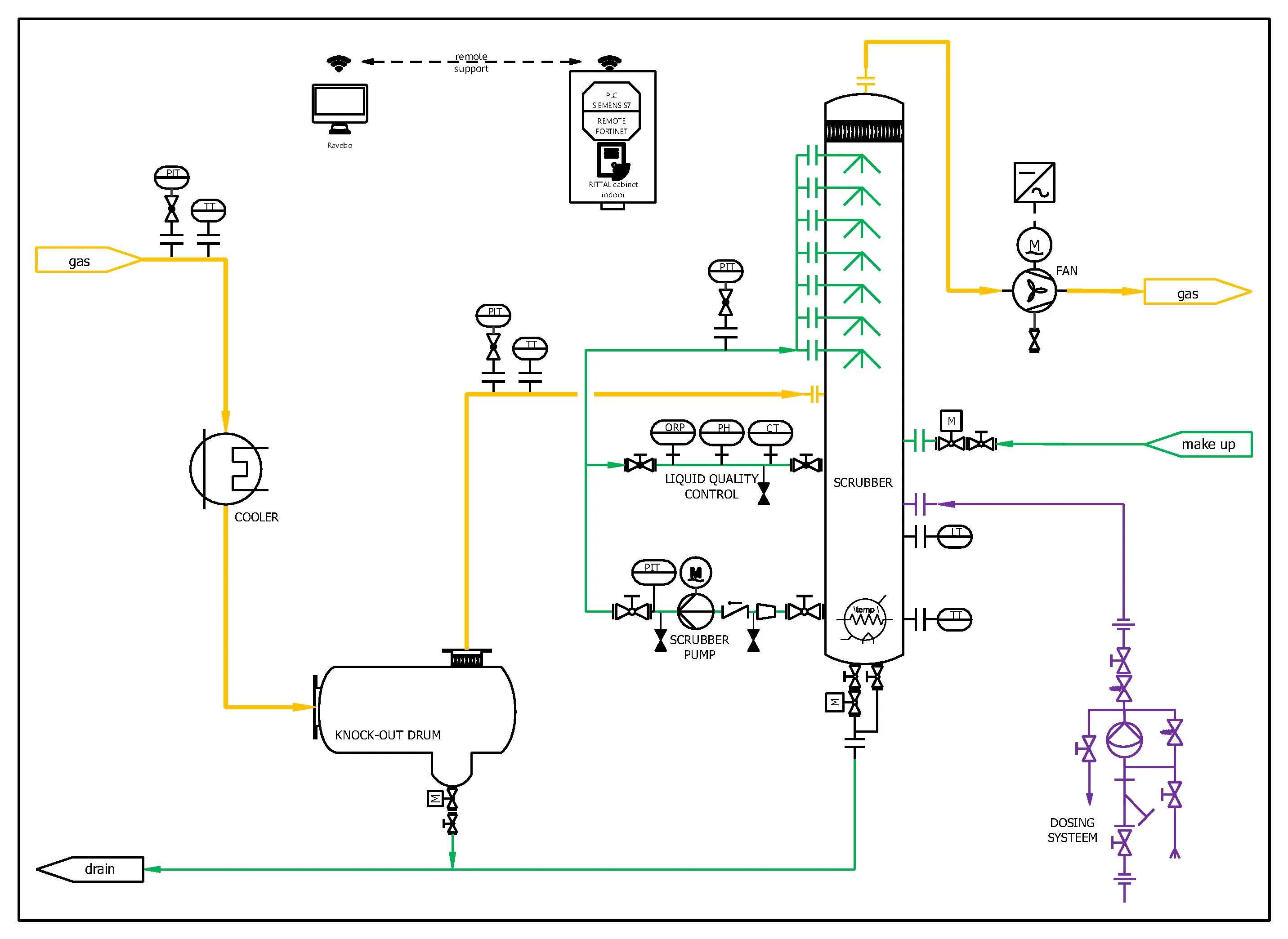
Process and Instrumentation Diagrams (P&IDs)

Engineering starts with schematic Process and Instrumentation Diagrams (P&IDs), which form a core part of our design services. P&IDs provide a detailed graphical representation of the process flow, equipment, instrumentation, and control devices, serving as the essential blueprint for the design, installation, and operation of industrial scrubber systems.

Detailed and Coordinated Diagram Development

Our P&IDs are developed with meticulous attention to detail, ensuring that all process streams, control loops, valves, sensors, pumps, fans, and auxiliary systems are accurately represented. Each diagram clearly defines functional relationships, operational interfaces, and instrumentation requirements, providing both the client and project teams with a comprehensive overview of the system.

Engineering Reviews and Project Execution

These diagrams are prepared using industry-standard software and are fully coordinated with mechanical, electrical, and control system designs. They form the basis for engineering reviews, HAZOP sessions, fabrication, procurement, and commissioning, enabling efficient and safe project execution.

Client-Specific System Design

Ravebo ensures that every P&ID is tailored to the client’s specifications, reflecting the unique operational requirements of each scrubber system. By providing clear, precise, and fully integrated diagrams, clients are able to visualize the system, anticipate operational needs, and facilitate communication between engineering, procurement, and on-site teams.

Engineering Calculations and Design Verification

In addition to P&IDs, Ravebo performs extensive chemical calculations, stress analyses, and heat and mass transfer studies to ensure that each scrubber system meets operational, safety, and efficiency requirements. Chemical calculations define reaction kinetics, mass balances, and process conditions, while stress calculations verify mechanical integrity under operational loads. Heat and mass transfer analyses ensure that temperature profiles, fluid flows, and separation efficiencies are fully optimized.

Integrated Multidisciplinary Engineering

All engineering work, including P&IDs, calculations, and design studies, is fully integrated with mechanical, electrical, and control system engineering. Each system is tailored to the client’s specifications and site conditions, enabling accurate visualization, anticipation of operational challenges, and efficient project execution.

Advanced 3D Design and Modeling

Our engineers use 3D design technology with AutoCAD Inventor to create precise and fully detailed models of scrubber systems. Every component, from the main scrubber unit to auxiliary equipment and the control cabinet, is visualized in three dimensions, providing clarity in design, spatial coordination, and system integration.

Production, Installation, and Assembly Planning

The 3D models form the basis for production drawings, structural and mechanical calculations, and installation planning. Critical dimensions, tolerances, and interfaces are clearly defined, reducing the risk of errors during fabrication and on-site assembly.

Design Validation and Optimization

Using AutoCAD Inventor, complex assemblies can be simulated, fit and alignment verified, and component interactions checked before production begins. This approach ensures that each scrubber system is optimized for operational efficiency, ease of installation, and long-term reliability.

Precision, Flexibility, and Collaboration

Ravebo’s approach to customized engineering emphasizes precision, flexibility, and close collaboration. All design elements are tailored to the specific operational requirements and technical specifications provided by the client. Through close coordination with project stakeholders, every detail is refined, from critical dimensions and tolerances to functional interfaces, ensuring alignment with site conditions and process demands.

Turnkey-Ready Engineering Framework

With Ravebo’s custom engineering, clients benefit from a turnkey-ready technical framework that supports fabrication, procurement, on-site assembly, and commissioning. By combining advanced design tools with deep process expertise, Ravebo delivers scrubber systems engineered for performance, safety, efficiency, and long-term operational reliability.

Get in touch with our scrubber specialist

Boost your industrial processes with our advanced wet gas scrubbers. Our specialist is ready to guide you towards efficiency, productivity, and environmental compliance. Connect with us now for expert advice, custom solutions, and quick responses. Let's find your perfect scrubber solution today.

Contact us